01-6500-0-156

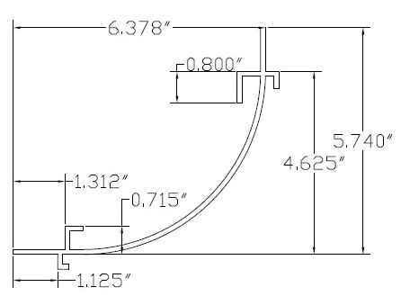
UTILITY REEFER RADIUS CORNER RADIUS POST UTILITY 1-6500-156 EXTRUDED ALUM REFFER W/ TABS
Sr. No. Cross Reference
1 FCB025-806-001 NEWLIFE
2 FCB025-805-001
3 1-6500-156
4 0165000156
5 CNR-UT04
6 UTI16500156
7 165000156
8 2AA-01-6500-156
9 PIPFDB6E03-1168

Related Products
# Name SKU Brand
1 03-6650-0-42 HK0000374 Utility
2 01-6500-0-157 HK0001316 Utility
3 03-2500-098 HK0002643 Utility
3 In Stock
SKU HK0000693
Brand Utility